速報APP / 工具 / LoadSwitch-4

LoadSwitch-4

價格:免費

更新日期:2013-10-28

檔案大小:475k

目前版本:1.2

版本需求:Android 2.2 以上版本

官方網站:http://www.inex.co.th

Email:tech@inex.co.th

聯絡地址:Innovative Experiment Co.,Ltd. 108, Sukhumvit 101/2, Sukhumvit Rd, Bangna, Bangkok 10260

LoadSwitch-4(圖1)-速報App

This application will help you to control switch in your home as known "Wireless power strip controller"

You can turn on - off by your android to DIY power strip

Just connect your android to IOIO or IOIO-Q board and then select any plug

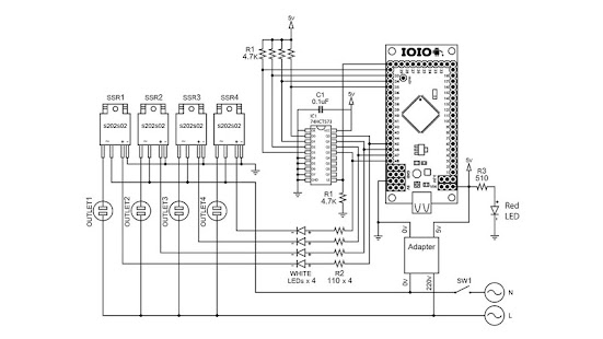
DIY power strip have a circuit inside. The circuit consists of the following

LoadSwitch-4(圖2)-速報App

IOIO or IOIO-Q board, Solid-state Relay, IC 74HCT573

Explain : This application use with IOIO or IOIO-Q board you can buy in www.inex.co.th

http://goo.gl/iSFHP

Circuit for this application

LoadSwitch-4(圖3)-速報App

Connect IOIO or IOIO-Q board with circuit by

Port 48 : D0 of 74HCT573 (Plug 1)

Port 47 : D1 of 74HCT573 (Plug 2)

Port 46 : D2 of 74HCT573 (Plug 3)

LoadSwitch-4(圖4)-速報App

Port 45 : D3 of 74HCT573 (Plug 4)

See more detail from www.tpemagazine.com on issue 29

Download source code from

http://goo.gl/etqUeh

LoadSwitch-4(圖5)-速報App

or

https://github.com/akexorcist/IOIO-Android-LoadSwitch4/

LoadSwitch-4(圖6)-速報App